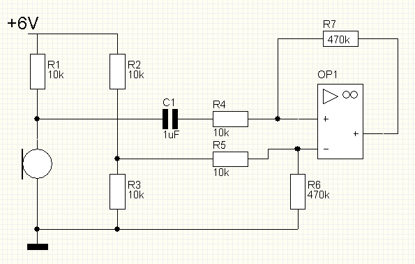
Mikrofonverstärker


Dieses Gerät dient zur Signalverstärkung bei einem Mikrofon. So könnte man dadurch mit einem Handy andere Geräte fernsteuern.

Akustische Signale werden in Spannungswerte umgewandelt, die dann weiter verarbeitet werden können (HI und LO z.B.).

 

zurueck zur Steuerung mit Handy
zurueck zum FGT - I