Projekt der Klasse VFGT-06Temperatur-Messung |
1. Einleitung / Idee
2. Blockschaltbild
3. Versuchsschaltungen mit OP 741
4. Überlegungen / Alternativen
4.1 LPT1-Schnittstelle
4.2 Temperaturfühler LM35
5. Auswahl / Begründung
6.
Schaltbild / Erläuterungen
6.1 Schaltbild
6.2 Erläuterungen
7. Temperaturfühler KTY10
7.1 Messungen des KTY10
7.2 Diagramm des KTY10
8.
Layout
und Bestückungsplan
9. Aufbau und Abgleichanweisung
9.1 Abgleichanweisung
10.
Fertige Platine
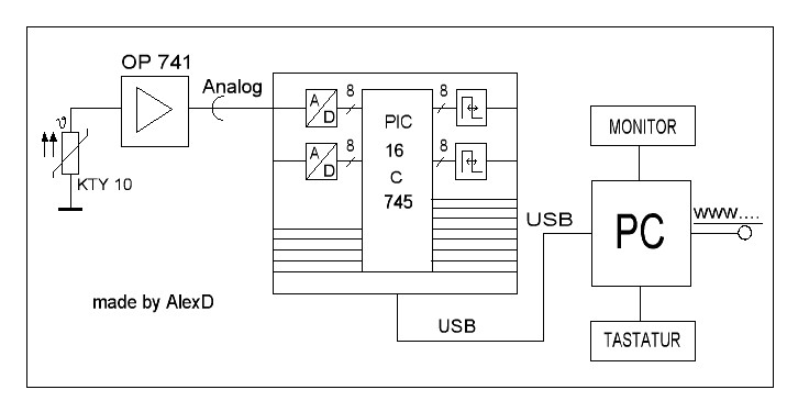
In diesem Projekt wird Temperatur als eine nicht elektrische Größe erfasst und in Spannung als elektrische Größe umgewandelt. Die Schaltung, die man auf einer Platine unterbringt und die diese Umwandlung ermöglicht, muss bei einem bestimmten Temperaturwert einen bestimmten Spannungswert ausgeben. Die Werte, die man später am Ausgang der Platine messen kann, sind allerdings analog und müssen daher mit einem A/D-Wandler in digitale Signale umgewandelt werden. Der A/D-Wandler wird durch einen USB-Port mit einem Computer verbunden. Um die Werte an einem Rechner zu verarbeiten und ins Internet zu stellen, wird ein spezielles Programm benötigt, das man selbst , entsprechend der Anforderungen der Platine, schreiben muss. Die Wahl der Programmiersprache ist dabei jedem selbst überlassen. Zum Abschluss des Projekts erstellt jeder eine eigene Internetseite, auf der man sein Projekt bzw. Projekt seiner Gruppe vorstellt.
Das Bild soll nochmals graphisch verdeutlichen, was vorher in der Einleitung beschrieben wurde.
An die Schaltung werden 7V angelegt. Durch berühren des KTY10 ändert sich der Widerstand und somit auch die am Ausgang anliegende Spannung, die vorher durch den OP entsprechend verstärkt wurde. Der Ausgang kann später über einen USB Port mit Vellman Platine P8055-1 verbunden werden.
Diese Zeichnung wurde mit sPlan6.0 erstellt und befindet sich in der Bibliothek unter eigene Symbole.
3. Versuchsschaltungen mit OP 741
Die Versuche dienten lediglich dazu, um einen kleinen Einblick in die Funktionsweise des OP 741 zu gewähren und auch einige Schaltungen mit dem OP 741 aufzubauen. Eine Variante war der Inverter, der seine Eingangsspannung invertiert und als Ausgangsspannung 0V ausgibt. Eine andere Variante war der Differenzverstärker, der am Ausgang die Differenz zwischen Ue1 und Ue2 ausgibt. Es gibt viele Möglichkeiten, wo der OP 741 eingesetzt wird.
4. Überlegungen / Alternativen
Es gibt eine Vielzahl an Möglichkeiten wie man seine Platine gestalten kann, was für eine Funktion die Platine haben soll, wie z.B. Umwandlung von Helligkeit in eine elektrische Größe, aber auch wie die Umwandlung von analogen Signalen in digitale Signale erfolgen soll und welche Schnittstelle mit dem Computer man wählen sollte.
Man kann statt der LPT1-Schnittstelle auch eine Druckerschnittstelle (LPT1-Schnittstelle) verwenden, die dann direkt an der Platine angebracht werden kann.
Die Verwendung des LM35 erfordert eine andere Gestaltung der Platine, die dann umfangreicher gestaltet wir, was auch mit mehr Kosten verbunden ist.
Die Auswahl fiel auf den KTY10
(Temperaturfühler), wie schon in der Einleitung beschrieben. Der Grund dieser
Entscheidung ist der: - die Platine selbst ist kleiner,
handlicher und leichter herzustellen,
- der Kostenausfall ist niedriger als bei
der Platine mit dem LM35,
- die Fehlerquote bei der Herstellung der
Platine ist niedriger als bei größeren Platinen,
- doch der Hauptgrund sind die
Kosten, weil die Beschaffung des A/D-Wandlers die meisten Kosten verursacht.
Die Auswahl des USB-Ports ist mit folgender Begründung zu erklären: diese
Schnittstelle ist in der Praxis ein sehr häufig eingesetztes Model und wird in
der Zukunft einige bzw. viele Schnittstellen verdrängen und ersetzen.
Entsprechend dem Schaltbild wird eine Versuchsschaltung aufgebaut, um zu sehen ob später die fertige Platine den gewünschten Effekt zeigt. Unter anderem werden Versuche mit dem Temperaturfühler durchgeführt, der später sich auf der Platine befinden soll.
Gezeichnet mit dem Programm sPlan6.0
Der KTY10 ist ein Widerstand der bei steigender Temperatur einen höheren Widerstand aufweist, aber auch umgekehrt bei sinkender Temperatur wird der Widerstand kleiner. Als erstes wurden an dem KTY10 zwei kurze Drähte angelötet, da man mit der Platine einige Messungen durchführen muss.
Die Messwerte des KTY10 zeigen, dass er ein lineares Verhalten aufweist. Aus dem Diagramm kann man ersehen welchen Widerstand der KTY10 bei einem bestimmten Temperaturwert hat. Die Spannungswerte in dem Diagramm beziehen sich auf die fertige Platine, und zwar soll die Platine bei einem Temperaturwert von 30°C am Ausgang einen Spannungswert von 5V ausgeben.
Gezeichnet mit dem Programm sPlan6.0
![]()
Angefertigt mit dem Programm Sprint-Layout4.0
| Bauteil | Anzahl Alex D. | Anzahl Katja H. |
| 100K Kohlewiderstand | 2 | 4 |
| 22K Kohlewiderstand | 2 | - |
| 10K Kohlewiderstand | 4 | 4 |
| KTY81 | 1 | 1 |
| Operationsverstärker DIP-8 | 1 | 1 |
| Potentiometer 2,5Ohm | 1 | 1 |
Her finden Sie ein Preisliste der Bauteile zum
downloaden
Preisliste.xls
9. Aufbau und Abgleichanweisung
Zuerst überlegen wir uns einen möglichen Aufbau zum Verwirklichen
unserer im oberen Schritt überlegten Idee. Diese Idee wird nun in Form
eines Schaltplans gebracht und mit Hilfe eines Probeaufbaus überprüft.
Erst jetzt ist es möglich ein entsprechendes Layout zu erstellen.
Nach erstellen des Layouts geht es in den Keller zum Herstellen der
Platine. Das vorher auf eine Folie ausgedruckte Layout messen wir aus und
brechen ein entsprechend großes Stück Platine zurecht. Nun entfernen wir die
Schutzschicht unserer Platine und legen sie zusammen mit der Folie auf das
Belichtungsgerät wo sie 4 Minuten lang belichtet wird. Danach wird es erst ins Ätzbad gelegt und später in ein Elektrolysebad, solange bis
die Kupferschicht auf der Platine sich an den entsprechenden Stellen
gelöst hat.
Nun müssen in die Platine die entsprechenden Löcher für die Widerstände,
Anschlüsse, Poti, OP und KTY10 gebohrt werden. Danach werden die einzelnen
Komponenten rausgesucht und auf die Platine gelötet. Bevor die Widerstände
jedoch auf die Platine gelötet werden müssen diese erst einmal auf ihre Funktionstüchtigkeit
und Größe getestet werden.
Jetzt wir mit Hilfe einer Messspitze überprüft ob kein Fehler in der
Platine enthalten ist, (z.B. ein nicht richtig angelöteter Widerstand,
falsche Widerstände oder eine nicht richtig durchgeäzte Leitung). Erst
nach beheben aller Fehler kann die Platine geprüft werden. Dazu legen wir
die Schaltung ohne IC an eine Spannung von +7V und überprüfen sie auf
mögliche Kurzschlüsse. Sind diese alle behoben kommen wir zum Abgleich der
Schaltung.
9.1 Abgleichanweisung
Zum Abgleichen der Schaltung setzten wir den EC auf den Sockel und stellen
das Poti so ein das der Voltanzeige der momentanen Raumtemperatur entspricht
(dabei ist zu beachten das 0V -20°C entspricht und 0°C erst bei +2V beginnt). Haben wir dieses gemacht halten wir den KTY10
und einen Temperaturmesser fest. Dabei ist zu beachten, dass beide mit den
gleichen Fingern festgehalten werden. Steigt nun die Voltanzeige parallel
zur Temperatur an funktioniert die Platine. Steigt die Temperatur schneller
oder langsamer als die Voltanzeige sind entweder die Widerstände falsch und
sie
müssen neue eingelötet werden, die Voltanzeige wackelt bei berühren der
Platine oder eine bzw. mehrere Komponenten der Platine sind beschädigt oder
nicht richtig angelötet.
10.
Fertige Platine
![]()

![]()
