2. Überlegungen / Alternativen
4. Schaltbild + Blockschaltbild
5. Begründung, Erklärung, Abgleichanweisung
9. Software...
10. Steuerung mit PHP, Datenbank MySQL
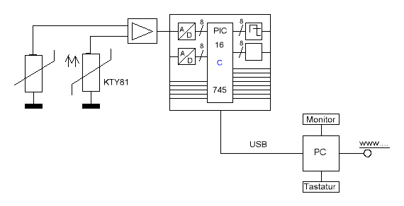
1. Unsere Aufgabe war es eine Platine herzustellen, mit der man die
Temperatur messen kann. Die Daten können dann über eine USB-Schnittstelle
in den Computer eingelesen, um dort weiterverwendet werden zu können.
2. Man könnte auch andere Größen nehmen, wie z.B. die Lichtstärke oder die Lautstärke.
Es gibt noch andere Überlegungen die Schaltung zu gestalten, die aber nicht angewandt werden.
Hierbei würde statt dem USB-Port der allgemeine Druckeranschluss (LPT1-Schnittstelle) verwendet werden. Das führt allerdings dazu, dass die Schaltung zusätzlich noch umgebaut werden müsste um u. a. auch die Stromversorgung sicher zu stellen.
Um größere Temperaturbereiche abzudecken, könnte ein 16-Abit-ADC (oder höhere) verwendet werden. Im Vergleich ist aber diese Variante eher teuerer.
Dies hat das Ziel die Messungen aufgrund eines höheren Verstärkungsfaktors genauer berechnen zu lassen. Z. B. wird beim Verstärkungsfaktor eine Schrittweite von 0,2 erreicht.
http://www.berel-am-ries.de/WVSS/FGT/FGT_2005-2008/JPB/JPB.temperatur.htm
3. Die Entscheidung das wir die Größe Temperatur nehmen wurde von allen Schülern
zusammen im Unterricht entschieden. Außerdem wurden von den Schülern die gleichen
Bauteile, bis auf die Widerstände, verwendet.

.gif)
4. Blockschaltbild
.gif)
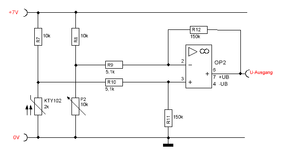
Die Widerstände R1, R2, das Poti P1 und der KTY 81-210 dienen jeweils als Spannungsteiler für die beiden Eingänge des OP’s. Wenn sich die Temperatur ändert, wird der Widerstand des KTY 81-210 größer oder kleiner und die Spannung am Pin 3 entgegengesetzt zum Widerstand des KTY 81-210 größer oder kleiner. Mit dem Poti P1 wird die Spannung am zweiten Eingang geregelt. Das Verhältnis zwischen R7/R6 und R4/R5 bestimmt den Verstärkungsfaktor.
5. Am Anfang führten wir die Messung erst einmal ohne den LMC6484 durch, um zu schauen ob die Schaltung grundsätzlich funktioniert. Nach Bestehen dieser Überprüfung setzten wir den Operationsverstärker wieder ein und es wurde erneut gemessen.
Nun geht es darum die Schaltung auf die richtige Temperatur zu justieren. Dazu benutzen wir ein separates Thermometer, dass auf Raumtemperatur gebracht wird. Daraufhin gleichen wir mit Hilfe des Potentiometers P1 die Schaltung auf die richtige Temperatur ab.
6. Die Digitalisierung erfolgt, mit Hilfe eines Programms von der Firma Velleman, am Computer.
| Anzahl | Name | Preis |
| 2 | Kohleschichtwiderstand 1/4W, 5%, 150 K-Ohm | 0,10€ |
| 2 | Kohleschichtwiderstand 1/4W, 5%, 5,1 K-Ohm | 0,10€ |
| 4 | Kohleschichtwiderstand 1/4W, 5%, 10 K-Ohm | 0,10€ |
| 1 | Einstellpotentiometer, stehend, 10mm, 2,5 K-Ohm | 0,19€ |
| 1 | IC-Sockel, 8-polig, doppelter Federkontakt | 0,03€ |
| 1 | Op-Amp, DIP-8 | 0,14€ |
| 1 | Bananenbuchse 4mm, vollisoliert, blau | 0,28€ |
| 1 | Bananenbuchse 4mm, vollisoliert, rot | 0,26€ |
| 1 | Bananenbuchse 4mm, vollisoliert, schwarz | 0,26€ |
| 1 | Bananenbuchse 4mm, vollisoliert, gelb | 0,33€ |
| 1 | Temperatursensor, -55...+150°C | 0,66€ |
| 1 | Kupferlitze isoliert, 10M, 1x0,14mm, rot | 0,88€ |
| 1 | Kupferlitze isoliert, 10M, 1x0,14mm, schwarz | 0,88€ |
| 1 | 10er Pack 2:1 Schrumpfschlauch, 4,8mm rot | 0,80€ |
Zu aller Erst haben wir das K8055 USB Experiment Interface Board mit Hilfe
eines USB-Übertragungskabel an unseren PC angeschlossen, um das Board auf
Funktionalität zu überprüfen. Hierfür haben wir das mitgelieferte Programm
installiert.
Um jetzt die Funktionalität zu überprüfen, öffnen wir dieses Programm und
verbinden dieses mit unserem USB-Board, indem wir den "Connect-Button" drücken.
Das Programm zeigt uns an, dass es mit der "Card 0 connected" ist.
Nun kann man mit Hilfe des Programms testen, ob die Digitalen Ausgänge
funktionieren. Hierfür klickt man auf den Button "Set all Digital". Es müssen
nun alle Digitalen Ausgang-LEDs leuchten. Um die Ausgänge wieder zu schließen,
betätigt man den Button "Clear All Digital".
Das Board verfügt auch noch über 2 analoge Ausgänge, welche man mit Hilfe des
Programms aktivieren kann. Wenn man die analogen Ausgänge mit Hilfe des
Programms testen will, klickt man auf den Button "Set All Analog". Es sollten
nun beide LEDs leuchten. Ausschaltbar sind sie wieder durch den "Clear All
Analog" Button. Das Programm zeigt uns insgesamt 4 Skalen.
2 sind für die analogen Ausgänge(DA1, DA2), 2 sind für die analogen
Eingänge(AD1, AD2). Die analogen Ausgänge lassen sich auch manuell steuern,
indem man mit der Maus den Zeiger auf der Skala DA1 oder DA2 verstellt. Die LEDs
am analogen Ausgang sollten nun verschieden hell leuchten, je nach Skala-Wert.
Die analogen Eingänge lassen sich auch manuell steuern, indem man mit einem
kleinen Schraubendreher einen von den Trimmern verstellt. Angezeigt wird dies an
den Skalen AD1 und / oder AD2. Zudem kann man die Eingänge frei schalten, indem
man die Jumper vor dem jeweiligen Trimmer umsteckt.
Das Programm verfügt außerdem über einen "Output Test" Button. Wenn man diesen
Button klickt, durchläuft das Programm jeden digitalen Ausgang und zwar
unendlich lang bis zum wiederbetätigen des Buttons.
Die digitalen Eingänge sind zu überprüfen. Hierfür klickt man mit dem Finger auf
einen der 5 Taster auf dem Board. Im Programm sollte nun bei dem jeweiligen
Eingang ein Hacken auftauchen, nachdem man auf den Taster gedrückt hat.
Für den 1sten und 2ten digitalen Eingang/Taster befindet sich ein Zähler im
Programm, welcher die Anzahl der Tastendrücke zählt.
Der Zähler ist zurücksetzbar im Programm durch den "Reset-Button" unter dem
Zählerfeld.
Auflagen:
1. Bilder bei max. 760 * xxx Pixeln mit max. 100 kB im jpg oder
gif Format
Keine bmp Dateien.
2. Standard- Hintergrund => Hex={FF,FF,CC} sonst passende
Farbwahl oder Hintergrundbild
3. Navigation in der Kopfleiste anordnen.
4. im Webordner nur die aktuellen verwendeten Dateien, die Anderen ....
5. Angabe der Quellen
6. Rücksprungfelder einrichten
7. Web-Darstellung max. 1 MB (Ausnahme Software)
Alle nur zur Webseite benötigten Dateien in einem Web-
Ordner unterbringen, alle anderen Dateien in einem allgemeinen Ordner
abspeichern!