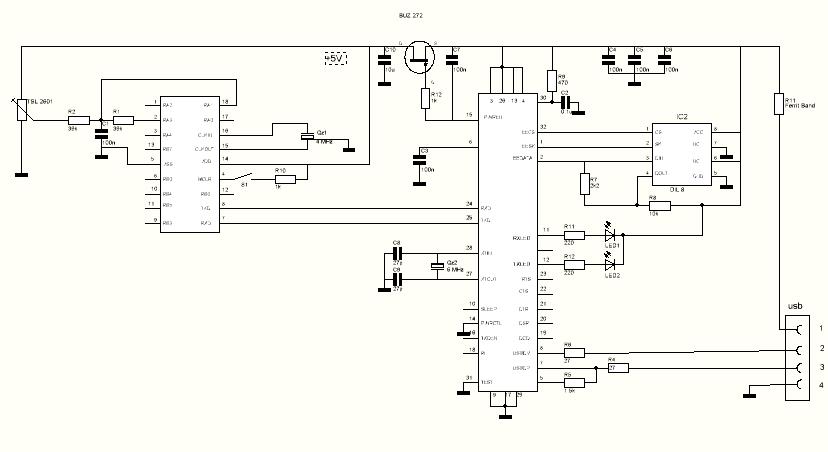
Schaltbild






Home