|
|
|
|
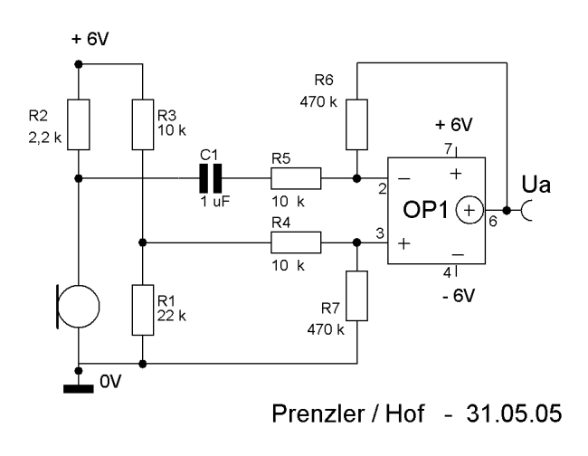
Unsere Aufgabe war es, eine
Schaltung zu planen, auszuarbeiten und auf eine
Platine zu übertragen, die es uns ermöglichen sollte,
eine nichtelektrische Größe, wie etwa Geräusch, in
ein elektrisches Signal zu wandeln. Dabei stand es uns
frei, ein Mikrofon, ein Thermometer, ein Lichtsensor
order sonstige Bauteile zu verwenden. Wir haben uns für
das Mikrofon entschlossen. |
|
|
|
|
|
|
|
|
| Bevor
wir mit dem Platinenlayout beginnen konnten, entwarfen
wir einen Schaltplan. Die Schaltkreise um den OP sind
hier noch als einziges Bauteil im OP vereint, im
Platinenlayout unter Punkt
6 werden diese Bauteile korrekt mit den PINs des OPs
verbunden dargestellt. |
 |
|
|
|
|
|
|
|
|
|
|
|
|
|
|
|
|
|
|
|
|
... musst du gehen. Wir haben uns nicht
ganz an die Vorlage des Liedes von Peter Maffay gehalten. Denn
wie man aus dem Platinenlayout oben entnehmen kann, haben wir
ganze acht Brücken eingebaut. Grund dafür war, dass wir zum
Beschriften des Layouts die Schaltung gespiegelt und beim
Setzen und Verbinden des OPs aber nicht wieder auf die
korrekte Seite zurück gespiegelt hatten. Dadurch haben wir
plötzlich einen OP mit PIN 1 an der Stelle unten links
gehabt, anstatt oben links. Auf der Platine oben ist der OP
bereits wieder richtig angeordnet und per Brücken an die
richtigen Leiterbahnen gelegt.
Das Problem an der Sache bestand
darin, dass wir zu diesem Zeitpunkt als wir die Fehler
entdeckten, die Platine bereits geätzt und komplett bestückt
hatten. Nach der Korrektur und dem einlöten der Brücken
haben wir noch das Platinenlayout neu aufgesetzt und
brückenlos erstellt. Das Layout dazu ist unter Punkt
6 zu finden.
|
|
|
|
|
|
|
|
|
|
|
|
|
|
| An
dieser Stelle sei nun unsere Liste der benötigten
Bauteile genannt, mit denen wir die obige Schaltung
realisiert haben: |
| Name |
Bezeichnung |
Menge |
Preis
(pro Stck.) |
| Spannungsquelle
(6V DC) |
- |
2 |
- |
| Widerstand
(10 k Ohm) |
R3,
R4, R5 |
3 |
0,10
€ |
| Widerstand
(470 k Ohm) |
R6,
R7 |
2 |
0,10
€ |
| Widerstand
(2,2 k Ohm) |
R2 |
1 |
0,10
€ |
| Widerstand
(2,7 k Ohm) |
R8,
R9 |
2 |
0,10
€ |
| Widerstand
(22 k Ohm) |
R1 |
1 |
0,10
€ |
| Einstellbarer
Widerstand (0 - 4,7 k Ohm) |
R10 |
1 |
0,13
€ |
| Kondensator
(1 uF) |
C1 |
1 |
0,38
€ |
| Anschlussbuchse |
+6V,
-6V, 0, Out |
4 |
- |
| Mikrofon |
Micro |
1 |
- |
| Operationsverstärker
(Typ 741) |
OP1 |
1 |
0,15
€ |
|
|
|
|
|
|
|