Timer NE555

 

Der NE 555 ist eine  integrierte Zeitgeberschaltung, die sich aufgrund ihrer Eigenschaften für Zeitverzögerungen und als Oszillator verwenden lässt. Der NE 555 ist der Standard-Baustein für alle zeitabhängigen Anwendungen in der praktischen Elektronik. Er ist so universell einsetzbar, dass er als wichtigster integrierter Schaltkreis gilt. Nur selten lassen sich Schaltungen leichter aufbauen, wie mit einem NE 555. Der NE 556 enthält zwei solcher Timer in einem IC-Baustein. Der NE 558 enthält sogar 4 Timer in einem Baustein.

Eigenschaften

Es empfiehlt sich die CMOS-Version zu verwenden, wenn nur geringe Ausgangsströme gefordert werden, weil die bipolare Version beim Umschalten des Ausgangverstärkers einen hohen Impulsstrom in der Speiseleitung zieht, der einen Blockkondensator mit relativ großer Kapazität voraussetzt. CMOS-Versionen sind LMC555 (NSC) oder TLC555 (TI). Bauformen: DIL-Gehäuse

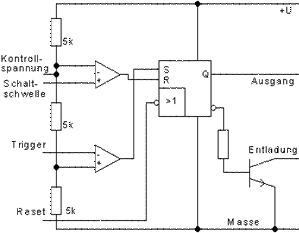
Innenschaltung

Textfeld: 2

 

Textfeld: 3

 Innenschaltung des NE 555

Textfeld: 8

 

C in µF

R in Ohm

T in s

f in Hz

0,0022

600

3,6

277k

0,0022

1,04k

4,9µ

204k

0,0022

4,6k

13,2µ

75k

0,022

600

10µ

1k

0,022

1,04k

25µ

40k

0,022

4,6k

100µ

10k

0,22

600

250k

0,22

1,04k

300µ

3,3k

0,22

4,6k

1m

1k

1

600

420µ

2,381k

1

1,04k

760µ

1,31k

1

4,6

3,2m

0,3125k

Unter 600 Ohm ist die Funktion unsicher.

Textfeld:  
 
Textfeld: 7

Textfeld:  

 

Der Rücksetzeingang hat Vorrang vor allen anderen Eingängen. 
Beim Rücksetzen haben beide Ausgänge den gleichen Wert.
Der Entlade-Ausgang ist ein Open- Kollektor- Ausgang.  

Astabile Kippstufe (NE 555)

Astabile Kippstufe

Spannungsverlauf am Punkt zwischen Widerstand und Kondensator 

Über die Widerstände R1 und R2 wird der Kondensator C1 aufgeladen. Ist er voll entlädt er sich über den Widerstand R2 und den Pin 7 (Open Kollektor) des NE 555.

Beispielwerte:
R1 = 100 kΩ
R2 = 68 kΩ
C1 = 4,7 µF
C2 = 10 nF
D = 1N4148

 

Berechnung der Impulsdauer tEIN:

Formel für Impulsdauer 

Aus den Formeln für Impuls- und Pausendauer geht hervor, dass der Impuls immer länger ist als die Pause.
Indem man R
1 aber wesentlich kleiner macht als R2, bekommt man fast symmetrische Verhältnisse hin.

Berechnung der Pausendauer tAUS:

Formel für Pausendauer 

Möchte man einen kurzen Impuls und eine lange Pause, hilft ein nachgeschalteter Inverter weiter.

Berechnung der Periodendauer T:

Formel für Periodendauer

Mit der Diode lässt sich ein Tastverhältnis von 50% erreichen, wenn R1 = R2 ist.

Berechnung der Impulsdauer tEIN mit der Diode D:

Formel für Impulsdauer

 

Berechnung der Pausendauer tAUS mit der Diode D:

Formel für Pausendauer

 

Berechnung der Periodendauer T mit der Diode D:

Formel für Periodendauer

Berechnung der Frequenz f:

Formel für Frequenz

   

 

 

zurueck zu Arbeitsblätter
zurueck zu WvSS
home