Inhaltsverzeichnis
1. einfaches Blockschaltbild
2. aufgelöstes Blockschaltbild
Details zu dem Blockschaltbild
2. 1 Blockschaltbild eines analogen Rechen
OPerationsverstärkers am Beispiel des 741
2.1.1 Innenschaltbild eines analogen Rechen OPerationsverstärkers
am Beispiel des 741
2.1.2 Beschaltung eines OP als Inverter
2.1.3 Entfernung der Beschaltungswiderstände >> Komparator
2.1.4 Referenzspannung
2.1.5 3 von 256 Komparatoren mit Spannungsteiler zur
Digitalisierung der
Eingangsspannung
2.2 BCD-Code
2.2.1 Digitalschaltung zur Veranschaulichung der einzelnen Schritte mit den
ersten 4 von 256 Möglichkeiten
2.3 Astabile Kippstufe > Taktgeber > Geschwindigkeit
2.4 Bistabile Kippstufe > Speicher > RAM
2.5 Startfunktion
2.6 Ausgangsbeschaltung
..............................................................................................................................................................................
1. einfaches Blockschaltbild

2. aufgelöstes Blockschaltbild

2. 1 Blockschaltbild eines analogen Rechen
OPerationsverstärkers am Beispiel des 741
2.1.1 Innenschaltbild eines analogen Rechen OPerationsverstärkers
am Beispiel des 741
2.1.2 Beschaltung eines OP als Inverter
2.1.3 Entfernung der Beschaltungswiderstände >> Komparator
2.1.4 Referenzspannung
2.1.5 256 Komparatoren mit Spannungsteiler zur Digitalisierung der
Eingangsspannung
2.2 BCD-Code
| Wertigkeit | 128 | 64 | 32 | 16 | 8 | 4 | 2 | 1 | |
| 27 | 26 | 25 | 24 | 23 | 2² | 21 | 20 | Schritte | |
| 0 | 0 | 0 | 0 | 0 | 0 | 0 | 0 | 0 | |
| 0 | 0 | 0 | 0 | 0 | 0 | 0 | 1 | 1 | |
| 0 | 0 | 0 | 0 | 0 | 0 | 1 | 0 | 2 | |
| 0 | 0 | 0 | 0 | 0 | 0 | 1 | 1 | 3 | |
| 0 | 0 | 0 | 0 | 0 | 1 | 0 | 0 | 4 | |
| .... | |||||||||
| 1 | 1 | 1 | 1 | 1 | 1 | 1 | 1 | 255 |
2.2.1 Digitalschaltung zur Veranschaulichung der einzelnen Schritte mit den ersten 4 von 256 Möglichkeiten von Schüler Fabian Sieler
| Im Ausgangszustand
Schritt 0
|
2°= Schritt 1
|
| 2^1 = Schritt 2
|
2°+2^1 = Schritt 3
|
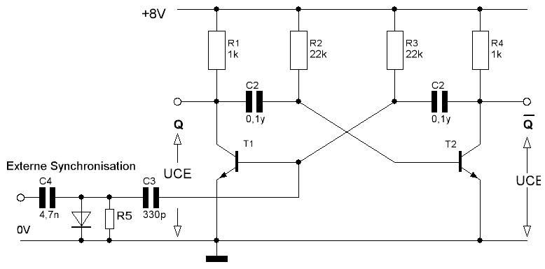
2.3 Astabile Kippstufe > Taktgeber > Geschwindigkeit von Schüler Fabian Sieler

Formel zur Berechnung
T= komplette Impulsdauer = t impuls + t pause
T = ln2 x C1 x R2 + ln2
x C2 x R3 (ln2 = 0,69...)
Astabile Kippstufe mit Synchronisation von Schüler Eduard Senger
(linke Kondensator
C2 muss in C1 umbenannt werden, y wird durch µ ausgetauscht)
Astabile Kippstufe mit externer Synchronisation (Vergleich dazu: Quarzuhr wird durch Funkuhr synchronisiert.)
Nach dem Einschalten schaltet der Transistor mit der
höchsten Verstärkung zuerst ein. Annahme T1 die Spannung UCE liegt dann bei
0,2V am Collektor. Über R2 lädt sich der Kondensator C1 nach einer e-Funktion
auf. Die Spannung steigt von -7V auf +0,6V an. Wenn diese 0,6V erreicht sind
wird T2 leitend. Der Transistor T2 schaltet den Kondensator C2 in den negativen
Bereich. Diese negative Vorspannung sperrt den Transistor T1. Jetzt beginnt die
Umladung von C2 von -7V in Richtung +0,6V. Wenn die 0,6V erreicht sind wird
wieder T1 leitend. u.s.w.. Die rechnerische Grundzeit der Periodendauer von ca.
3 ms ergibt 333 Hz.
Der Takt für die externe Synchronisation wird mit einem Differenzierglied so
umgeformt, das dabei der notwendige negative Impuls zum Sperren des leitenden
Transistor entsteht. Diese Stufe läst sich nur schneller machen, durch das
frühzeitige Abbrechen der leitenden Phase am Transistor 1, damit wird
Zeitzeichengenau der Transistor gesetzt und die Synchronisation mit dem
Zeitzeichensender aus Frankfurt (PTB Braunschweig) erreicht.
Mit der Synchronisation wird der 333 Hz Takt mit dem Zeitzeichensender verknüpft
und auf einer stabile Frequenz von 333 Hz gehalten.
Die Spannungshöhe der Schaltung wird durch die zulässige Collektor- Emitterspannung begrenzt. Ohne Schutzdioden vor der Basis- Emitterstrecken sind 8 Volt noch zulässig.
2.4 Bistabile Kippstufe > Speicher > RAM von Schüler Fabian Sieler

Hier die Grundschaltung einer bistabilen Kippstufe mit
zwei Bipolaren Transistoren.
Die Schaltung hat zwei stabile Zustände zwischen denen man hin und her
schalten kann. Ist ein Zustand gesetzt bleibt die Schaltung in diesem Zustand bis
sie zurückgesetzt oder ausgeschaltet wird, damit arbeitet sie wie ein Speicher
einem RAM-Speicher.
Durch die beiden ungleichen Basiswiderstände erhält der T1 mit dem größeren Widerstand (R5) schneller eine größere Basis-Emitterspannung und schaltet deshalb früher durch, man spricht dadurch von einer Vorzugslage beim Einschalten der bistabilen Kippstufe.

Statt der bistabilen Kippstufe läst sich auch ein TriState Ausgang an die BCD codierten Ausgänge schalten.
.
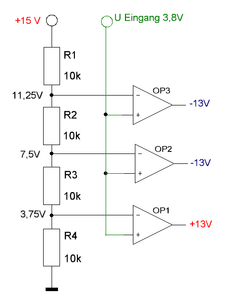
2.1.5 3 von 256 Komparatoren mit Spannungsteiler zur
Digitalisierung der
Eingangsspannung
.
Digitalisierung von Spannungen.
Der OP ohne Eingangs- und Rückkopplungswiderstand verstärkt maximal (ca. 40.000
fach)
Das heißt mit anderen Worten aus 0,25 mV werden 10 Volt am Ausgang. Die meisten
Spannungs- Messgeräte können diesen kleinen Eingangsspannungsunterschied nicht
mehr sicher darstellen. Die OP Grundschaltung nennt man auch Komparator. Dieser
Spannungsvergleicher verstärkt also kleinste Spannungen auf maximalen
Spannungspegel. Wenn man nun eine Spannungsteilerkette mit 256 Widerständen
aufbaut und an jedem Widerstand einen OP nachschaltet erhält man so 256
Ausgangswerte, die als Balkengrafik dargestellt werden könnten. Diese
Darstellung bildet nur 3 von 256 ab.
| zurueck zu Arbeitsblaettern |
| zurueck zu WvSS Web-Train |
| home |