Astabiler Multivibrator mit RC Rückkopplung bzw. Quarz-Stabilisierung
Schaltungen Univ. Würzburg

| 
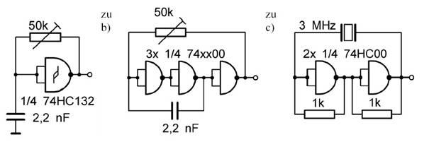
		 74xx00, 74HC132 
  | 
		
		
 
  | 
	
1. Achtung: Selbst bei richtigem Anschluss schwingt 
die Schaltung nicht immer gleich an.
Abhilfe: den Stecker der Stromversorgung ein paar Mal an die + 5 Volt antippen.
2. Achtung: Sie sollten die vorgeschlagene Familie verwenden, denn die elektrischen Eigenschaften (Eingangswiderstand, Geschwindigkeit, Pegelschwelle) sind unterschiedlich.
| 
		 
  | 
		
		 Beim Einschalten ist der Kondensator entladen, der Gattereingang also auf 0-Pegel. Der Ausgang des NAND-Gatters hat demnach 1-Pegel. Über den Widerstand wird der Kondensator geladen. Sobald die Spannungsschwelle des Schmitt-Triggers überschritten wird, wechselt der Ausgang auf 0. Nun wird der Kondensator über den Widerstand entladen, bis die untere Triggerschwelle  | 
	
erreicht wird; der Ausgang wird wieder 1. Das wiederholt sich nun immer wieder. Da nach dem Einschalten der Kondensator von 0 aus geladen wird, danach aber die Kondensatorspannung nur zwischen den Triggerschwellen hin und her wechselt, dauert die erste Taktphase länger. Wegen der unterschiedlichen Triggerschwellen ist das Tastverhältnis auch nicht 1:1. Die Periodendauer des erzeugten Rechtecksignals beträgt etwa
t = F * R * C mit F= 1,1 ... 2,0 - je nach eingesetzter IC-Technologie (bei TTL mit 7413 beträgt der Faktor beispielsweise 1,1, der Wert von R sollte 300 Ohm betragen).
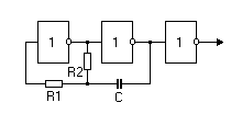
Besonders mit CMOS-Invertern oder -Gattern lässt sich folgende Variante realisieren. Dabei kann R2 bis zu mehreren hundert Kiloohm betragen. R1 sollte ungefähr 10 * R2 betragen. Bei R1 = 1 MOhm, R2 = 150 kOhm und C= 1 nF beträgt die Frequenz etwa 1,5 kHz.

| 
		 
  | 
		
		 Nachteilig ist manchmal das unterschiedliche Tastverhältnis. Lösen lässt sich das Problem z.B. durch Wahl der doppelten Oszillatorfrequenz und ein T-Flipflop zur Signalsymetrierung. Eine andere Möglichkeit ist die Wahl unterschiedlicher Widerstände für die Ladung und Entladung des Kondensators:  | 
	
Quarzoszillator
| 
		 
		  | 
		
		 Ein Quarzoszillator erfordert einen etwas höheren Aufwand, bietet aber sehr stabile Ausgangssequenzen. Auch hier genügt zur Schwingungserzeugung ein rückgekoppeltes Gatter, das zweite Gatter dient nur zur Entkopplung und zur Flankenversteilerung der Ausgangsimpulse. Das frequenzbestimmende Element ist ein frequenzstabiler Quarz. Das Ganze kann durch einen kleinen Trimmer noch leicht in der Frequenz beeinflusst (gezogen) werden. Solche Grundschaltungen liegen z. B. Frequenzzählern oder Uhren zugrunde.  | 
	
| 
		 
  | 
		
		 Für TTL-Schaltkreise sieht die Grundschaltung etwas anders aus. Hier ist der Gegenkopplungswiderstand relativ klein, so dass der Baustein eigentlich schon im verbotenen Bereich zwischen 0 und 1 arbeitet - und dadurch sehr leicht schwingt. Die obere Grenze für die Quarzfrequenz liegt etwa bei 16 MHz. Bei Quarzen mit niedriger Frequenz kann es vorkommen, dass der Oszillator auf einer Oberwelle schwingt. Dann hilft ein Dämpfungswiderstand von 5 ... 10 MOhm parallel zum Quarz.  | 
	
| zurueck zu Arbeitsblaetter | 
| zurueck zu WvSS | 
| home |