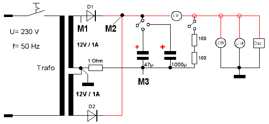
Zweiweg-  oder 2 Puls- oder Mittelpunkt - Gleichrichtung

M1

      

 

 Usperr max:

Formel: 

 

 

 

 

Um =

  

 

 

 

 

fBr =  

  

 

 

 

 

CL
in ΅F

Ohne CL

47

1000

 

 

 

 

 

 

 

 

 

 

 

 

 

 

 

 

 

 

 

M2

 

 

 

 

 

 

 

 

 

Um mit Last

 

 

 

 

 

 

 

 

 

 

 

 

 

IR

 

 

 

 

 

 

 

 

 

 

 

 

 

Ri= Um ohne Last – Um mit Last                       IR

Um= mittlere arithmetrische             Gleichspannung

M2

 

 

 

 

 

 

 

 

 

 

 

 

 

 

 

 

 

 

 

U Breff(Veff)

 

 

 

 

 

 

 

 

 

 

 

 

 

U Brss(Vss)

 

 

 

M3

 

 

 

 

 

 

 

 

 

 

Ri (Ohm)

 

 

 

 

 

 

 

 

 

 

 

 

IDspitze(mA)

 

 

 

 

 

 

 

 

 

 

 

 

 

t impuls(ms)

 

 

 

Θ

Stromflusswinkel Groί Theta

 

 

Θ in Grad 
von .. bis...

 

 

 

  Bewertungszeile   max.
40%
   


Name: …………………

Datum: ………………….

Zweiweg – 2 Puls
oder Mittelpunkt
Gleichrichtung

WvSS Hildesheim

Quelle: BBZ / E. Bock 1.2.79 Alexander Sachs 06.03.06

 
 

zurueck zu Arbeitsblaetter
zurueck zu WvSS Web Train
home