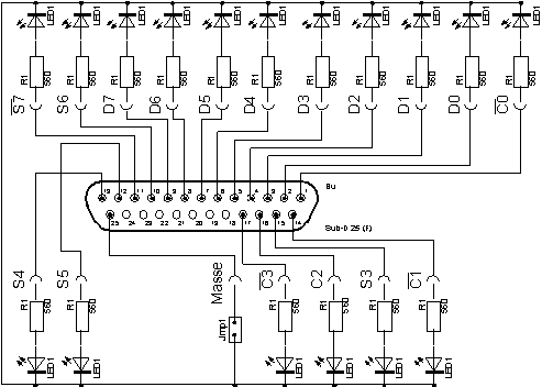
Schaltplan für den Parallelport

 

zurueck zu Arbeitsblaetter
zurueck zu WvSS Web Train
home