Der LM 35 gibt eine lineare analoge Gleichspannung im
Verhältnis zur Temperatur ab. 0,1 Grad = 1 mV
Also 224 mV entsprechen dann 22,4 Grad Celsius.
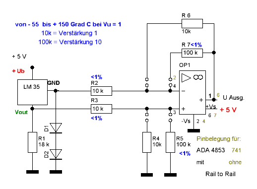
Um negative Temperaturen messen zu können ist die oben aufgeführte OP Schaltung
dargestellt. Der Widerstand R1 und die beiden Dioden schaffen ein erhöhte
Bezugsspannung. Das heißt der Ausgang Vout kann jetzt unter dem Wert von GND
liegen. Diese zu GND negative Spannung Vout wird von dem Differenzverstärker
aufgenommen und ohne die Spannungsanteile von D1 und D2 1 fach oder 10 fach
verstärkt an Ausgang geführt. Die Schaltung ist für den Rail to Rail
(Spannungsschiene zu Spannungsschiene) OP ADA 4853 in schwarz gezeichnet. Mit
Hilfe der Jumper kann hier die Verstärkung 1 oder 10 gewählt werden. Der ADA
4853 kann von der Versorgungsspannung auf dem USB Bus gespeist werden.
Die Verstärkung um 10 hat sich als notwendig herausgestellt, weil sonst zu
wenige Messwerte im BDC Code bereitstehen. Der Messbereich sinkt dadurch von -
20 Grad bis + 30 Grad.
5000 mV / 256 = 19,53 mV pro BIT
= >>1,95 Grad pro Bit
Beim OP 741 gibt eine andere PIN Belegung und der PIN 4 liegt dann an - Ub.
Erweiterung:
Anpassung an
den Analog Digital Wandler ADW oder
ADC(onverter)

Bei Verwendung eines Digital-Analogwandlers muss die Spannung in den Bereich 0 bis + 5V verschoben werden. Aus – 20 Grad werden dann 0 Volt aus 0 Grad werden +2 Volt und aus +30 Grad werden + 5Volt. Um dies in eine Schaltung umzusetzen ist eine Erweiterung um zwei OP´s notwendig. Einen Addierer und anschließend einen Inverter. Am Trimmer mit 2,2 k Ohm wird eine Spannungen von 2V eingestellt. Alle Widerstände müssen eine Toleranz von unter 1 % haben. Am Besten dazu ausmessen. Ein Widerstandsfehler wird sonst zum Temperaturfehler. Für eine Verwendung an einem USB Port müssen die leider etwas teueren Rail to Rail OP eingesetzt werden. Man spart dabei aber zwei Stromversorgungen ein!
Layout zu Schaltung 1: Sichtweise auf die Bestückungsseite 50 * 53 mm
Layout zu Schaltung 1. Auf die Kupferseite gesehen. ( Horizontal gespiegelt.)
Hier folgt demnächst das Layout zu Schaltung 2:
.....
| zurueck zu Arbeitsblaetter |
| zurueck zu WvSS Web Train |
| home |