Addierer



Schaltungserklärung:
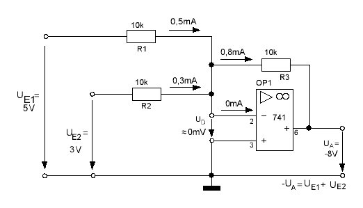
Die Summe beider Eingangsströme fließen gemeinsam durch den Rückkoppelungswiderstand R3 mit 10 K und addieren sich.
Ohne den OP könnte man nur eine ganz geringen Laststrom abnehmen. Der Belastungswiderstand müsste 100 mal so groß wie der Rückkopplungswiderstand sein, hier als 1 M Ohm, damit wäre ein Laststrom von 8 µ A möglich.
Mit dem OP sind 20.000 µA an 400 Ohm Last möglich. Der OP selbst hat einen vernachlässigbar kleinen Eingangsstrom. Er dient hier als Stromverstärker.


Anwendungsbeispiel: Digital-Analog-Wandler für BCD Code

Die digitalen Eingangssignale werden im Verhältnis der Widerstände R Eingang zu R Rückkopplung verstärkt. Die Addition findet wieder in dem gemeinsamen Rückkopplungswiderstand R 8 statt. Der höchstwertige Eingang D 7 mit 5 Volt bringt -5 Volt am Ausgang, der zweithöchste Eingang D6 bringt - 2,5 Volt am Ausgang. die Summe nur von diesen beiden beträgt dann - 7,5 Volt am Ausgang, .....
 

zurueck zu Arbeitsblaetter
zurueck zu WvSS Web Train
home