Festspannungsregler

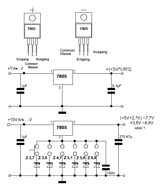
1. Grundschaltung für einen Festspannungsregler. Die unterschiedlichen Lastströme könnten Schwingungen verursachen. Die beiden verschiedenen Kondensatoren sollen die Schwingungsbildung vermeiden. Die Werte sollten deshalb unterschiedliche sein, damit jeder Kondensator für einen Grenzfrequenzbereich die Schwingung unterdrücken kann.
fgrenz = 1 /2*π*R*C
Die Eingangsspannung muss mindestens 1,8 Volt höher als die Ausgangsspannung sein. Auch bei Spitzenlast.

2. Die zweite Schaltung zeigt einen umschaltbaren Festspannungsregler, wobei die jeweilige Z-Dioden-Spannung plus der Spannung des Festspannungsreglers die Ausgangsspannung bildet.
 

zurueck zu Arbeitsblaetter
zurueck zu WvSS Web Train
home