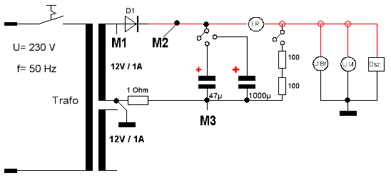
M1

      

 

Formel: Usperr max:

 

 

 

 

 

Um =

 

 

 

 

 

fBr =  

 

 

 

 

 

CL in
΅F

Ohne

CL

47

1000

 

 

 

 

 

 

 

 

 

 

 

 

 

 

 

 

 

 

 

M2

 

 

 

 

 

 

 

 

 

Um mit
Last

 

 

 

 

 

 

 

 

 

 

 

 

 

IR

 

 

 

 

 

 

 

 

 

 

 

 

 

Ri= Um ohne Last – Um mit Last
                     IR
Um= mittlere arithmetrische 
         Gleichspannung

M2

 

 

 

 

 

 

 

 

 

 

 

 

 

 

 

 

 

 

 

U Breff
(Veff)

 

 

 

 

 

 

 

 

 

 

 

 

 

U Brss
(Vss)

 

 

 

M3

 

 

 

 

 

 

 

 

 

 

Ri (Ohm)

 

 

 

 

 

 

 

 

 

 

 

 

IDspitze
(mA)

 

 

 

 

 

 

 

 

 

 

 

 

 

t impuls
(ms)

 

 

 

Θ

Stromflusswinkel Groί Theta

 

 

Θ in Grad 
von bis

 

 

 

 

Bewertungszeile

 

max
40 %

 

 

 

max.
60 %


Name: …………………

Datum: ………………….

Einweg – oder 1 Puls-
Gleichrichtung

WvSS Hildesheim

Quelle: BBZ / E. Bock 1.2.79 Alexander Sachs 06.03.06

 

zurueck zu Arbeitsblaetter
zurueck zu WvSS Web Train
home