Projekt AVR- NET- IO
Das Projekt AVR NET IO
laeuft ueber 3 Jahre. (E. Bock)
WBGT 11 Loettechnik, Messtechnik, Aufbau
und Inbetriebnahme
WBFT 12.1 Elektronik-Kenntnisse zum AVR NET IO und Sensortechnik
(Umwandlung einer nichtelektrischen Groesse in eine elektrische Groesse). 0 - 5
Volt.
WBGT 12.2 Facharbeit kann aus dem Bereich der Netzwerktechnik selbst gesucht
werden,
sonst wird eine Aufgabe im Bereich Netzwerktechnik zugewiesen.
WBGT 13.1 Meßwerte in Tabellenerfassen (MySQl), Access, ..
WBGT 13.2 Messwerte dynamisch
online stellen. (MySQl & PHP)
1.
Technische Eigenschaften:
Ethernet-Platine mit ATMega32 und Netzwerkcontroller ENC28J60
und ISP-Schnittstelle.
Die Platine verfügt über 8 digitale Ausgänge
(0/5 V), 4 digitale
(0/5 V) und 4
ADC-Eingänge
0-5 Volt
(10
Bit),
wie
Netzwerkbuchse,
welche alle über ein
mitgeliefertes Windows-Beispielprogramm
und einen
Netzwerkanschluss (TCP/IP) abgerufen bzw. geschaltet werden können.
-
Betriebsspannung 9 V~ oder ab + 8,2 Volt Gleichspannung (9V = sind genung, bei 12 V =. wird der Spannungsregler zu heiss und es muss ein Kühlblech verwendet werden.
- Stromaufnahme ca. 180 - 190 mA bei normaler roter LED mit
grüner Low Power LED sinkt der Stromverbrauch auf 160 - 170 mA.
Maße (LxBxH): 108x76x22 mm.
Systemanforderungen für Windows-Beispielprogramm:
- .NET-Framework 2.0
- Netzwerkanschluss
2. Diesen haben wir geöffnet
und alle Teile herausgenommen.
Die rote LED und der 220 Ohm Widerstand wurde durch eine
grüne Low Power LED mit 1,5 K Widerstand ersetzt. Die rote LED
verbraucht circa 20 mA. die grüne LED circa 2 mA.
3. Wir haben angefangen den Bestand der Teile zu überprüfen und sie nach der mechanischer Groesse zu sortieren.
4. Es waren alle Teile vorhanden und wir konnten mit dem Zusammenlöten beginnen.
Man fängt nach der Aufbauanleitung (auf Seite 3) mit den niedrigsten Bauteilen an, das sind die Widerstände.
5.
Widerstände sortieren und mit Hilfe eines Multimeters durchmessen.
6. Widerstände mit Hilfe der Farbringe nach der Ohm Größe sortieren .
7. Widerstände mit der Biegelehre biegen.
8. Widerstände in die Platine stecken und auf der Rückseite leicht umbiegen.
9. Widerstände anlöten.
10. Widerstandsbeine kürzen.
11. Zuerst beginnt man
mit dem Aufbau der „Werkzeuge“ die für den Zusammenbau des Bausatzes benötigt
werden.
Dies sind: ein Loetkolben, eine Loetstation, eine Holzunterlage, eine Lupe und Lötzinn.
12. Wir warten bis der Lotkoelben "Betriebstemperatur" hat damit wir loslegen können.
Nach und nach
bauten wir die weiteren Teile ein.
13. Spulen heraussuchen.
14. Spulen in die Platine stecken und auf der Rückseite leicht umbiegen.
15. Nach dem Anlöten der "Beinchen" wurden diese in ihrer Länge gekürzt.
16. Dioden heraussuchen und mit Hilfe der Biegelehre biegen.
17. Dioden einlöten und Beine kürzen.
18. Quarze einlöten und Beine abschneiden.
19. IC Sockel einlöten.
20. Kondensator einlöten.
21. Steckerleiste 10 pol. und Leuchtdiode einlöten.
22. Rj45, Sub-D, Sup-d9-pol., Anreihklemme einlöten.
23. Netzteilenden verzinnen
WICHTIG! Die IC´s noch nicht in die entsprechenden Sockel einsetzen.
24. Nachdem wir alle Teile fertig auf die Platine geloetet haben konnten wir den Bausatz ueberpruefen.
1. Erste Pruefung: Die
Sichtpruefung: Wir haben
zuerst die Lötstellen an unseren Bausatz überprüft.
Wir haben Fehler gefunden, z.B. zwei zusammengeloetete Loetstellen
(Kurzschluss), dieser wurde
aufgetrennt. Zur Sicherheit kann man auch mit einer Lupe die
Pruefung vornehmen.
> Nach der Fehlerbeseitigung optisch in Ordnung.
2. Zweite Pruefung: Es
folgte die Widerstandsmessung ohne eingesetzte IC´s. Der Wert lag bei
3 - 4 M Ohm. > Kein Kurzschluss im
Eingang der Schaltung, damit ist der Eingangsbereich in Ordnung.
3. Dritte Pruefung: Es
wurde eine Gleichspannung in Höhe von 9 Volt angelegt. LED leuchtete.
Der Versorgungsstrom lag bei etwas unter 10 mA.
> Diesen Strom braucht die LED und der Spannungsregler, damit in Ordnung
4.
Vierte Pruefung: Anschließend
haben wir die drei IC´s eingesetzt und die Stromaufnahme des Gerätes
gemessen, sie lag bei etwa 0,16- 0,17 A.
> In Ordnung
Der ATMega32 verbraucht davon circa 25 mA
Der Netzwerkcontroller ENC28J60 verbraucht circa 130 mA.
Das kleine IC verbraucht weniger als 10 mA.
Bild der Platine in fertigem Zustand:
![]() (Foto von: Ahlborn & Hoerner) |
5.
Fuenfte Pruefung:
Dann haben
wir die Platine mit einem Crossover Kabel mit dem Computer
verbunden. Die grüne LED leuchtet auf.
Die zweite LED blinkt gelb auf.
Das
rote X bei Netzwerkverbindung
ausgeblendet werden und damit "Verbindung Ok" unter
Netzwerkverbindung zu sehen sein.
4. Software:
Framework 2.0 und Net-Server Vers. 1.0.3 (Hoerner und E.
Bock)
Die
mitgelieferte Software dient dazu das Board erkennen und steuern zu können.
1. Auf dem Rechner muss zu erst Framework installiert werden, anschließend die
Software
"Net-Server".
ab Windows 7.0 muss die aktuelle Version 4.0 bei Microsoft
runter geladen und installiert werden.
2. Nun startet man das Programm "Net-Server" um auf die Platine per Software zugreifen zu können.
3. In dem Programm-Menue geht man auf „Connect“. Die zweite LED an Netzwerkanschluss blinkt nun auch.
4. Sind die richtigen
Netzwerkadressen gesetzt, besteht eine Netzwerk-Verbindung zur Platine. Die Inbetriebnahme
ist dann erfolgreich abgeschlossen und das Gerät kann verwendet werden.
(siehe Grafik direkt unter Punkt 6)
5. Bei einer nicht bestehenden Verbindung wird eine Fehleranalyse durchgeführt.
1. Verbinden Sie AVR-NET-IO mit Hilfe eines seriellen
Verbindungskabels mit einer freien seriellen Schnittstelle Ihres PCs.
2. Verbinden Sie den Bausatz mit der Spannungsversorgung.
3. Starten Sie ein Terminalprogramm (z.B. PuTTYtel
http://www.putty.org).
4. Konfigurieren Sie entsprechend Ihres verwendeten
Terminalprogramms die Verbindung
(Baudrate 9600, Datenbits 8, Parität keine, Stopbits 1).
5. Rufen Sie mit dem Befehl „GETIP“ (Entertaste) die aktuell
eingestellte IP ab.
6. Setzen Sie mit dem Befehl „SETIP 192.168.1.90“(Entertaste)
die neue IP der AVR-NET-IO z.B. auf 192.168.1.90.
7. Als Antwort erhalten Sie bei Erfolg „ACK“, bei einem Fehler
erhalten Sie „NAK“.
8. Trennen Sie den Bausatz kurz von der Spannungsversorgung um
einen Neustart durchzuführen.
9. Testen Sie die neuen Einstellungen z.B. durch einen „Ping-Versuch“
in der Windows-Kommandozeile (ping 192.168.1.90).
6. Testen der Anreihklemmen (Ahlborn und E. Bock):
1. Zuerst haben wir die blauen Anreihklemmen getestet.
2. Wir haben
-eine rote Leitung an 5V angeschlossen
-eine schwarze Leitung an GND (0V) angeschlossen
-eine grüne Leitung an ADC (1/2/3/4) angeschlossen
Die drei Kabel wurden an das
Potentiometer (4,7 Kilo Ohm) angeschlossen
Das Potentiometer wird hier ersatzweise als Sensor
eingesetzt.

(Foto von: Ahlborn)
3. Wenn wir am Potentiometer gedreht haben, konnte man die Spannung zwischen 0V - 4,99V verändern,
diese Spannungsaenderung konnte man mit dem NetServer Programm auf dem Monitor ablesen (rote Einklammerung).

Quelle: http://robotrack.de/robotrack/AVR-NET-IO_S.JPG
4. Verändert sich die Spannung beim drehen des Potentiometers bei allen ADC
Anschlüssen (1-4), dann sind alle
Analog Digitalwandler Anschlüsse funktionsfähig.
7. Testen des 25 polig SUB-D Steckers (Hoerner u. E. Bock)
1. Dann haben wir die Gleichspannungen an den SUB-D Stecker mit einem
Digital-Voltmeter
getestet. (Bereich 30 Volt (DC)).
2. Wir haben ein schwarzes und rotes Kabel an das Digital-Voltmeter angeschlossen und das
schwarze Kabel an die Platine angeschlossen.
3. Das rote Kabel haben wir an die Anschlüsse 1-8 des SUB-D Steckers gehalten.
4. Das Digital-Voltmeter hat bei jedem Anschluss eine
Spannung von 5,01 Volt angezeigt,
nachdem wir jeweils "High" angeklickt haben, was bedeutet, dass alle Anschlüsse
umgeschaltet
werden können und damit funktionieren.
Quelle: http://www.on-luebeck.de/LCD_Howto/LCD_Howto_SUB-D_Stecker.jpg |
(umgezeichnet von: N. Hoerner) |
![]() Frederic Rother |
![]() Frederic Rother |
![]() Frederic Rother |
Frederic Rother |
8. Funktion und Verwendung (von Johannes Rösner)
Wenn die Platine alle Test bestanden
hat, kann sie als
Netzwerkcontroller verwendet werden,
da sie über 8 digitale Ausgänge sowie 4 digitale und 4 ADC-Eingaenge verfügt,
welche alle über
einen Netzwerkanschluss (TCP/IP) abgerufen beziehungsweise geschaltet werden
können.
![]() |
Diese Funktion lässt sich auch über ein Android-Smartphone / iPhone fernsteuern:
http://www.mikrocontroller.net/wikifiles/9/9f/NET-IO-Control.png
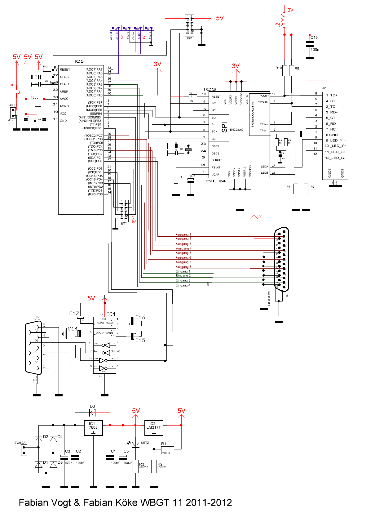
9. Schaltplan von Fabian Koeke und Fabian Vogt
mit SPlan 7 nachgezeichnet und nach jpg exportiert
10. Schlussteil (Ahlborn):
Unsere Platinen haben jeden gewuenschten Test bestanden, woraus wir schliessen, dass sie einwandfrei funktionieren.
Somit haben wir unsere Aufgabe erfolgreich gemeistert und am Ende zwei voll funktionsfähige Platinen gehabt.
Die ISP und Ext. Anschlüsse waren in WBGT 11.2 noch nicht Bestandteil der Pruefung.
Quellen:
Punkt 1 Didaktische Jahresplanung Praxis WvSS im
WBGT 11-13
und www.polin.de
Punkte 2,. Florian Wiege u. Niklas Hoerner
Punkte 3, 4, 6, 7, 9. von Niklas Hoerner und Patrick Ahlborn
Punkt
5.
von Alexander Hartrick
Punkt
8.
von Johannes Rösner
Korrekturen: E. Bock, J. Kaml, J. Mangas
http://www.berel-am-ries.de/WVSS/FGT/WBGT_2011-2014/wbgt_11_2011.htm